1-800-833-7958 | [email protected] | Find a Location | Español | 中文 |

 

Geotech Level Control Probes

Geotech's Level Control Probes and Switches are designed to provide highly reliable monitoring and detection across a wide range of fluids. They can be used with everything from light oils and hydraulic fluids to diesel, water, and even biohazards. To meet these diverse needs, Geotech offers multiple sensing technologies, including float switch and conductivity sensing. Sometimes, more than one solution might be a good fit, allowing customers to choose based on their preference. Geotech's product line includes single-point, multi-point, and continuous level switches, as well as visual level indicators.

  • Intrinsically safe voltage design
  • Stainless steel shaft
  • Float material designed for use in most hydrocarbon/water applications
  • Available in NO/NC options
  • Available for harsh environmental applications, call for quote.
  • Conductivity probes also available, call for quote.

 

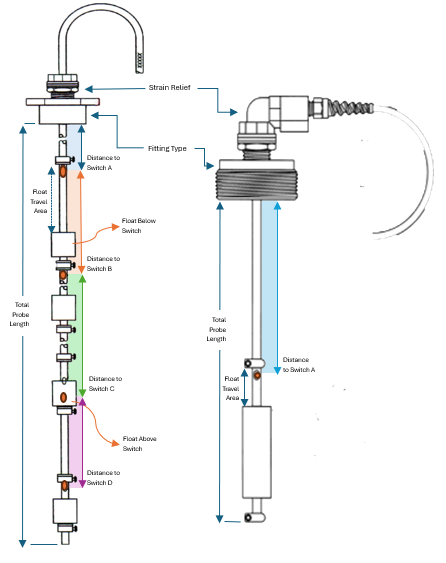
Probe Function   Float, Conductivity, Combination of Both
Switch Distance   Minimum of 1"
Switch Contact Type Options   Normally Open, Normally Closed
Type of Float   Product Float (Blue) SG 60, Water Float (Orange) SG 90, SST Product Float, SST Water Float
Float Material   Urethane or Stainless Steel (SST)
Float Position   Above Switch, Below Switch
Float Travel Area in Inches   Minimum 6" (.15m)
Switch Type   Magnetic Reed
Fitting   Threaded Connection, Slip Fit Connection, Custom
Cable Options   Polyurethane, ETFE
Cable Length (ft)   10', 25', 50', 75', 100', Custome Lengths Available
8 inch Pin Connector   Optional
Power Requirements   5 Volt DC with I.S. Energy Level
Strain Relief Orientation   Straight, 90 Degree

 

 

 

 

 

Geotech Level Control Probes are designed to meet a variety of applications such as:

  • Environmental Remediation: Use in pumps and other equipment for groundwater extraction and hydrocarbon recovery
  • Industrial Process Control: Regulating fluid levels in tanks and sumps
  • Tank Level Management:preventing overfilling or running dry in diesel fuel, oil, and other storage tanks
  • Wastewater Treatment Controlling levels and operations in lift stations, treatment basins, and sumps
  • Deionized and Potable Water Systems

 

Float activated switch(s) are embedded in the shaft of each level switch probe.
As a float passes over the switch, the switch is activated to change the electrical
contact state, thus sending a signal to a customer supplied control panel or device.

 

 

 

 

 

Water Table Depression Pump Density ProbeGeotech tankfull probe with a 90 degree angles cable connectiong to a metal cap connecting to a metal shaft that has ttwo switchs with a blue float inbetween.
Dual Float Probe (WTDP)
With Protective Screen & Straight Strain Relief
Tankfull Probe
With 2" & 3/4" Threaded connection and 90 degree strain relief
Tankfull Shut-Off Probe
Customize your Probe Set Up